AVO 8 MkIII Mystery Cache
Please note Use of geocaching.com services is subject to the terms and conditions
in our disclaimer.
Aangepast: 2021-11-26. GeoChecker toegevoegd.
'AVO 8 Mk III'
De cache ligt niet op de bovengenoemde coördinaten
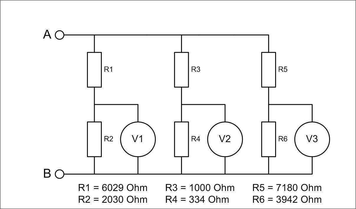
Tegenwoordig is het met de moderne elektronische multimeters niet meer zo'n probleem, maar in de opleidingstijd van de CO moest je goed opletten wat je deed tijdens het meten in elektronische en elektrische schakelingen.
Additional Hints
(Decrypt)
Tebrar fgebbz
Treasures
You'll collect a digital Treasure from one of these collections when you find and log this geocache:

Loading Treasures