Retro aus 2 Gründen:
1. Ihr braucht hier keine Bilder auf versteckte Inhalte untersuchen, nicht den Quelltext auseinander nehmen, keine unsichtbaren Zeichen oder Links zu finden und das Hintergrundbild dient auch nur zur Verschönerung des Listings!
2. Die im Rätsel verwendeten Bausteine sind ein Relikt der 80er Jahre, als man einfache Anzeigen noch mit einzelnen Logikbausteinen löste und nicht mit Mikroprozessoren geschweige denn Apps für Smartphones.
Alles, was Ihr für die Lösung benötigt, ist Euer logisches Denken.
Zum Rätsel:
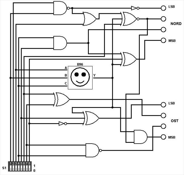
Unten seht Ihr ein Schaltbild mit Logik-Gattern.
Am DIP-Schalter S1 stellt Ihr die in Tabelle 1 angegebene Codierung von 1 und 0 ein. Auf der rechten Seite könnt Ihr dann die entsprechende Stelle der Dezimalminuten für Nord bzw. Ost an den LEDs ablesen. Die LEDs leuchten, wenn eine '1' am linken Pol anliegt.
Zentral im Schaltbild findet Ihr ein etwas exotisches Gatter, das sogenannte 'Buben-Gatter', bezeichnet mit B96, was sich merkwürdigerweise nicht durchsetzen konnte. Die Wahrheitstabelle des Buben-Gatters findet Ihr in Tabelle 2.

Tabelle 1: Codierung S1

Tabelle 2: Wahrheitstabelle B96

Die Finalberechnung sollte klar sein: Die 5 Stellungen von S1 ergeben die 5 Stellen der Dezimalminuten für Nord und Ost, abzulesen jeweils pro Stellung gleichzeitig an den LEDs für Nord und Ost.
Logisch, oder nicht?
Bitte nutzt auf jeden Fall den Geochecker, weil es dort wichtige Infos gibt, die Ihr am Final benötigt.

Für die Bannerfreunde gibt es hier dann auch noch eine kleine Zugabe. Vielen Dank an dieser Stelle an 2bupa für die investierte Zeit und Arbeit ein Banner zu erstellen:
<a href="https://coord.info/GC5R306" target="_blank"><img src="https://img.geocaching.com/cache/log/large/3bc8efd2-a505-4d7b-91ec-516abee8a35f.jpg" style="border-width:0px;border-style:solid;height:180px;width:320px;" /></a>