Skip to content

Sähköä Ilmassa Mystery Cache

Hidden : 3/17/2016
Difficulty:
3 out of 5
Terrain:
3 out of 5

Size: Size:   small (small)

Join now to view geocache location details. It's free!

Watch

How Geocaching Works

Please note Use of geocaching.com services is subject to the terms and conditions in our disclaimer.

Geocache Description:

Kätkö sijaitsee päiväsaikaan jästiherkällä alueella. Urheilumieltä tarvitaan aina :)

Kätkössä ei kynää.

Älä jätä reissaajia mystiin, kiitos.




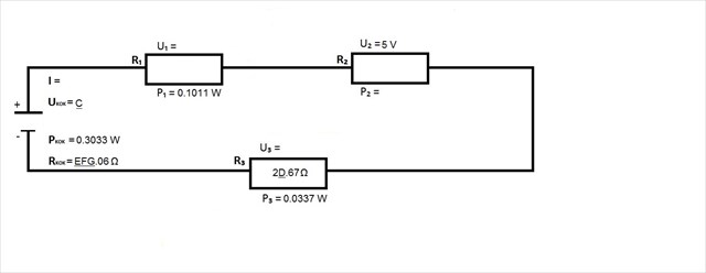
SÄHKÖÄ ILMASSA





Laske kytkennän kokonaisresistanssi.



RKOK = AB.016 Ω

Laske kytkennän puuttuvat arvot.



N 65.57.AB6

E 02C.0D.EFG



Huom! Älä muuta/pyöristä annettuja arvoja.









Tarkasta ratkaisusi

Additional Hints (Decrypt)

Zlfgrrev: Buzva grubchvzhev Xägxö: lxflxfxbyfrv

Decryption Key

A|B|C|D|E|F|G|H|I|J|K|L|M
-------------------------
N|O|P|Q|R|S|T|U|V|W|X|Y|Z

(letter above equals below, and vice versa)