Skip to content

Physik für Geocacher: Kommunizierende Röhren Mystery Cache

This cache has been archived.

DerSchnelleLinus: Danke an alle, die den Cache besucht haben.

More
Hidden : 9/4/2016
Difficulty:
2.5 out of 5
Terrain:
2 out of 5

Size: Size:   micro (micro)

Join now to view geocache location details. It's free!

Watch

How Geocaching Works

Please note Use of geocaching.com services is subject to the terms and conditions in our disclaimer.

Geocache Description:

Ein Cacher muss sich für einen neuen Cache mit dem Prinzip der "kommunizierenden Röhren" vertraut machen.

Hinweis: die oben genannten Koordinaten sind fiktiv, der Cache befindet sich nicht mitten auf der A3.


Ein Geocacher möchte einen neuen Cache legen. Aber nicht nur einfach eine Dose. Vielmehr soll die Dose in einem Rohr sein, dass der suchende Cacher mit Wasser füllen muss, damit die Dose mit dem Logbuch hoch schwimmt. Gut, die Idee ist heutzutage schon ein bisschen ausgelutscht und darum will der Cacher auch eine etwas komplexere Variante bauen. Diese sieht wie folgt aus:

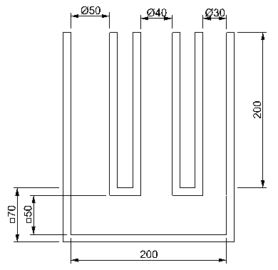
Die Konstruktion besteht aus Plexiglas mit einer Wandstärke von 1cm. Unten ist ein quadratisches Rohr mit einer Innengröße von 50x50mm und einer Innenlänge von 200mm. Darauf befestigt sind drei Rohre, alle 200mm hoch. Ein Rohr hat einen Innendurchmesser von 50mm, eines von 40mm und eines von 30mm. Die Dose (die auf der obigen Abbildung nicht gezeigt ist) befindet sich im Rohr mit dem größten Durchmesser. Das Wasser sollen die suchenden Cacher durch das 30mm Rohr einfüllen.

Soweit, so gut. Der Cacher hat die Konstruktion fertig gebaut. Jetzt muss er nur noch ausrechnen, wie viel Wasser der suchende Cacher mitbringen muss, damit dieser an die Dose gelangt. Diese Angaben möchte der Cacher gerne im Listing machen.

Der Wert, den der Cacher im Listing angeben möchte, ist die Menge Wasser in Millilitern, die nötig ist, damit der Röhre mit 50mm Durchmesser randvoll ist (randvoll = das Wasser steht bündig an der Oberkante der Röhre). Das Volumen der Dose, die dann aufschwimmt und die Wassermenge, die dadurch verdrängt wird, braucht nicht berücksichtigt werden. Und noch mal zur Erinnerung: Das Wasser soll durch die 30mm Röhre eingefüllt werden.

Diese Wassermenge gilt es nun zu berechnen, wie gesagt in Millilitern. Das ungerundete Ergebnis mit "abgeschnittenen" Nachkommastellen ist dann die Lösungszahl (Beispiel: wäre die berechnete Wassermenge 1234,567 ml, dann wäre die Lösungszahl 1234). Diese Lösungszahl gibst du dann bei certitudes.org ein und bekommst bei richtiger Lösung dann die Finalkoordinaten für den diesen Cache. Für die Kreiszahl Pi kann (und soll) bei der Berechnung der Wert von 3,14 angenommen werden.

Zum Cache:
Zum Bergen dieses Caches braucht ihr kein Wasser, es ist einen normale, hängende 35ml Schraubdose.
Der Cache ist eingeschränkt wintertauglich, bis zu einer Schneehöhe von ca. 10-15cm sollte der Fund kein Problem sein.
In Teilen des Waldgebiets, in dem der Cache versteckt ist, herrscht Jagdbetrieb, also bitte nur bei Tageslicht besuchen.
In der Dose ist kein Stift, bitte einen eigenen mit bringen.

Additional Hints (Decrypt)

Ohpur zvg 2. Frvgrafgnzz

Decryption Key

A|B|C|D|E|F|G|H|I|J|K|L|M
-------------------------
N|O|P|Q|R|S|T|U|V|W|X|Y|Z

(letter above equals below, and vice versa)