Skip to content

Elektrika a pan K - Electricity and Mr. K Mystery Cache

Hidden : 4/28/2017
Difficulty:
3 out of 5
Terrain:
3 out of 5

Size: Size:   small (small)

Join now to view geocache location details. It's free!

Watch

How Geocaching Works

Please note Use of geocaching.com services is subject to the terms and conditions in our disclaimer.

Geocache Description:

Jedna elektrická keška - One electrical cache

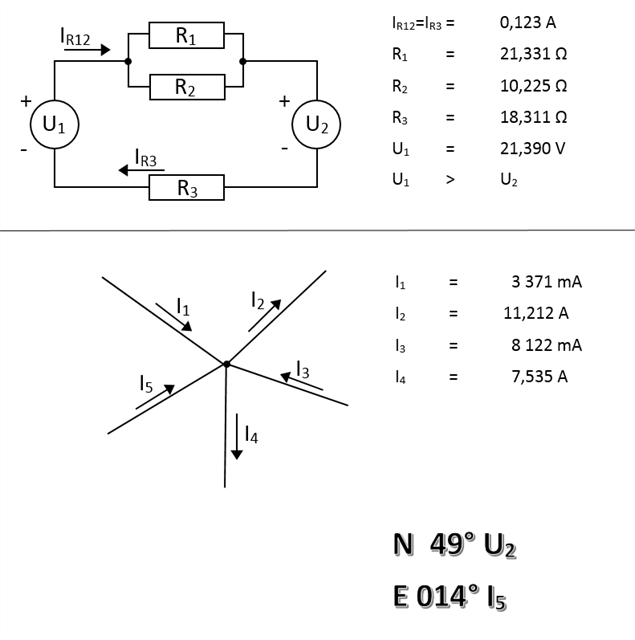
Jsem absolvent zdejší elektrotechnické střední průmyslové školy, tak jsem si řekl, že by Písku slušela i elektro keška :) Neboj se, půjde o všeobecné základy, které už jsi nejspíš viděl a nebo ti někdo ochotně poradí. Když se řekne elektrika, každý musí krom velkého respektu pomyslet na Ohmův zákon. Jedna z nejznámějších věcí, která popisuje vztah mezi ohmiky, ampériky a voltiky  (elektrickým odporem, proudem a napětím :) Elektrika je ale především uzavřený kruh mezi zdrojem napětí a spotřebiči. A právě v takovém elektrickém obvodu fungují dvě základní pravidla , která už v roce 1845 popsal pan K .

EN: I'm a graduate of electrotechnical high school, so I said there could be a good electrical cache in Pisek :) Do not worry, it's all the basics you've probably seen or someone is willing to advise.When it comes to electricity, everybody has to think of Ohm's law, in spite of great respect. One of the most famous things that describes the relationship between ohms, amperes and volts (electrical resistance, current and voltage :) But the electric circuit is a closed circuit between the power supply and the appliance. And just in such a circuit there are two basic rules, which were described in 1845 by Mr. K.

Abyste nalezli keš , musíte rozlousknout tyto příklady:
EN: To find a cache, you have to crack the following examples:

schéma

Keška rozhodně není na původních souřadnicích, ale je ve velmi blízkém okolí města Písek.
Výsledky nezaokrouhluj.
Ke kešce se chovej opatrně a pořádně uzavři !!!

EN: Cache definitely is not on the original coordinates, but it is very close to the city Písek.
Do not round out the results.
Take the cache carefully and close properly !!!





Můžeš ověřit své řešení s certitude.



Additional Hints (No hints available.)