Caveat cacher
The coordinates above point to the middle of a field. There is nothing to see there.
FTF
Congratulations to TelemachusGB for being FTF.
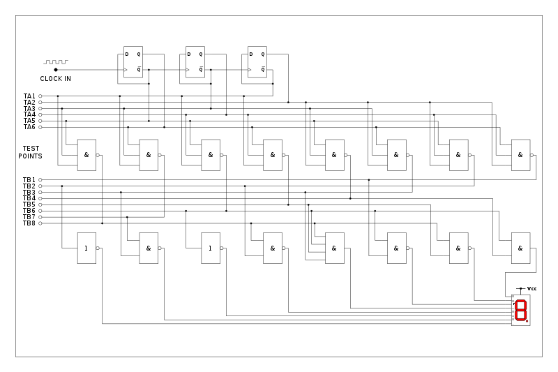
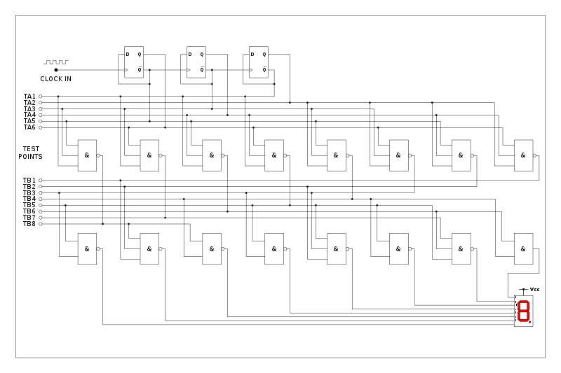
Digital Electronics : Theory
The diagrams below show arrangements of logic gates, flip-flops, and seven-segment displays.
To find out where the cache is hidden, you simply have to work out what you'd see on the displays were you to build the circuits.
The circuits are quite simple, so pencil and paper are probably the best tools for the task, though you could actually build them! If you do stick to pencils, then the worksheet below might help:
You can check your working at geocheck:

If you've enjoyed this cache, you might enjoy its companion Digital Electronics : Practical. If you are planning to do that one, please borrow a kit of components from this cache when you sign the logbook.